Описание Топливораздаточная колонка Tokheim Quantium ML
Топливораздаточная колонка Quantium ML — модульность, точность и надежность
Quantium ML — это новая модульная топливораздаточная колонка от Tokheim, которая сочетает инженерное совершенство, универсальность и долговечность. Она создана для АЗС, стремящихся обеспечить клиентам первоклассный сервис и минимизировать затраты на обслуживание.
Преимущества Quantium ML
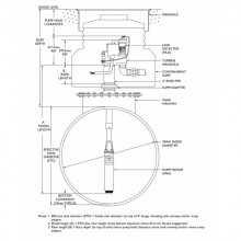
Модульная конструкция: легко адаптируется под нужды АЗС и поддерживает до 5 сортов топлива с каждой стороны.
Гибкая настройка: доступно 3 системы управления шлангами — LHR (легкое втягивание), FHR (полное втягивание) и EHR (увеличенное втягивание).
Высокая точность: передовые технологии измерения и электронная калибровка с минимальным дрейфом показаний.
Долговечность и надежность: корпус и компоненты Tokheim® защищены от коррозии и совместимы со всеми видами топлива.
Минимальные затраты на обслуживание: сокращает время простоя, снижает совокупную стоимость владения (TCO).
Удобство эксплуатации: оптимизированные габариты и улучшенная доступность пистолетов.
Сфера применения
Автозаправочные станции (АЗС).
Заправка легкового и грузового транспорта.
Розничная и корпоративная торговля топливом.
Технические особенности
Совместимость с топливом: бензин, бензиновые смеси (до 85% этанола), дизельное топливо, биодизель (до 100% биосостава), керосин.
Доступность моделей: односторонняя или двусторонняя. Количество сортов топлива от 1 до 5, раздаточных кранов от 1 до 10.
Гидравлическая система: всасывающая или с удаленным давлением.
Производительность: доступна в диапазоне от 40 до 130 л/мин.
Длина шланга: зависит от системы управления — EHR (до 4,7 м), FHR (до 4,0 м), LHR (до 3,5 м).
Электроника: компьютер колонки TQC.
Дисплеи: стандартный LCD (1.00 дюйма) или премиум LED (1.15 дюйма).
Счетчики: электромеханические 7-разрядные.
Протоколы связи: стандартный IFSF LON, доступны и другие.
Измерение: защищенный интеллектуальный пульсатор, электронная калибровка, технология поршневого расходомера P-Meter.
Опции: автоматическая компенсация температуры (ATC), система улавливания паров (VR2).
Питание: стандартное 400 В, 50 Гц, 3-фазное. Опционально доступно 220 В, 50 Гц, однофазное.
Защита: антикоррозионная защита C4 (стандарт) или C5 (опция).
Рабочая температура: стандартный диапазон от -25°C до +55°C, опционально расширенный до -40°C и +60°C.
Степень защиты: IP 54.
Сертификация: ATEX, OIML, MID.
Загрузки
Отзывы о Топливораздаточная колонка Tokheim Quantium ML
Нет отзывов о данном товаре.



