Погружные насосы для топлива

Погружные насосы для топлива Fe Petro
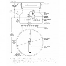
Торговая компания Ювента поставляет высокотехнологичные погружные насосы для топлива от ведущего бренда Fe Petro (Franklin Fueling Systems). Это надёжные решения, которые обеспечивают стабильную подачу топлива из резервуаров АЗС, независимо от его типа — бензина или дизеля.
Оборудование и комплектующие
Погружные насосы Fe Petro — проверенное качество от мирового лидера.
Комплектующие и запасные части — для стабильной и бесперебойной работы.
Совместимость с различными видами топлива — решения как для бензина, так и для дизельного топлива.
Преимущества насосов Fe Petro
Высокая надёжность и долговечность — разработаны для интенсивной эксплуатации.
Энергоэффективность — оптимизированное потребление энергии.
Официальная сертификация — соответствие международным стандартам безопасности.
Сервис и техническая поддержка — от установки до послегарантийного обслуживания.
Купить погружные насосы для топлива
Ювента обеспечивает полный цикл поставки и сервисного обслуживания погружных насосов Fe Petro. Мы предлагаем только сертифицированное оборудование, которое гарантирует безопасную и эффективную работу вашей АЗС.
Заказывайте в Ювенте — получите надёжность, качество и профессиональную поддержку.
